
2X型防爆雙級旋片式真空泵
1、2X型真空泵是抽除氣體的基本設備之一,它可單獨使用,也可與增壓泵、擴散泵、分子泵等超高真空泵連接在一起作為前級泵使用,廣泛用于電子器件制造、真空干燥、過濾、浸漬、涂膜、焊接、冶煉及實驗室裝備等。
2、2X型真空泵在環境溫度5℃~40℃范圍內,進氣口壓強小于10托的條件下,允許長期運轉,被抽氣體相對溫度大于90%時,應開氣鎮閥。
3、2X型真空泵進氣口連續敝通大氣運轉不得超過3分鐘.
4、2X型真空泵不適用于抽除對金屬有腐蝕的、對泵油起化學反應的、含有顆粒塵埃的氣體,以及含氧過高的、爆炸性的、有毒的氣體。
目錄
2X旋片式真空泵用途及使用范圍
2X型真空泵為雙級結構,它的工作性能由高壓級與低壓級二部分組成,它的吸入口與真空容器或真空設備連接,在運轉時容器內的氣體將大量吸入與排出。當設備獲得真空時,高壓級排氣閥片將封閉,高壓級吸入的氣體將轉送到第二級,并經第二級吸入與排出,這樣真空設備可獲得一定的真空。該泵的技術參數6×10-2pa。根據用戶使用情況,可配備真空增壓泵,將該泵做為前級泵,由于增壓泵的抽氣力加強,前級泵連續抽除,能使你的設備獲得更高的真空。該泵適用于冶金、化工、電光源真空、真空鍍膜、食品包裝、醫藥、吸塑、電子、干燥等領域使用。
1、2X型真空泵是抽除氣體的基本設備之一,它可單獨使用,也可與增壓泵、擴散泵、分子泵等超高真空泵連接在一起作為前級泵使用,廣泛用于電子器件制造、真空干燥、過濾、浸漬、涂膜、焊接、冶煉及實驗室裝備等。
2、2X型真空泵在環境溫度5℃~40℃范圍內,進氣口壓強小于10托的條件下,允許長期運轉,被抽氣體相對溫度大于90%時,應開氣鎮閥。
3、2X型真空泵進氣口連續敝通大氣運轉不得超過3分鐘.
4、2X型真空泵不適用于抽除對金屬有腐蝕的、對泵油起化學反應的、含有顆粒塵埃的氣體,以及含氧過高的、爆炸性的、有毒的氣體。
2X旋片式真空泵操作須知
1、查看油位。油位應在油標中心,油位過低,對排氣閥不能密封,影響真空度;油位過高,會引起起動時噴油。運轉前,先將三角帶脫下,將電機轉向校正后,再起動,以免噴油。運轉時,油位略有升高,屬正常現象。油量不足時,采用l號真空泵油,從加油孔加入。油需經過濾,以免雜物進入,堵塞油孔。
2、2X型真空泵泵口如裝接電磁閥,應與泵同時動作.
3、2X型真空泵開始起動時,應先點動起動按鈕一、二次,以使泵腔內的油壓至油箱內,然后再正式起動運轉。
4、環境溫度較高時,油溫升高,粘度下降,飽和蒸汽增大,會引起極限真空下降,應加強通風散熱。
5、檢查泵的極限真空,應采用壓縮式水銀真空計。真空計應與泵口直接接通,運轉30分鐘內,將達到極限真空。
6、2X型真空泵停泵前應先關閉吸氣口處閥門,與真空系統隔絕,然后停泵。
7、帶有氣鎮閥的泵如在抽吸氣體中含有較多的可凝性蒸汽時,要打開氣鎮閥
2X旋片式真空泵技術參數
型號
抽氣速度(L/S) |
2X-2
|
2X-4A
|
2X-8A
|
2X-8
|
2X-15A
|
2X-15
|
2X-30
|
2X-70
|
||
2
|
4
|
8
|
15
|
30
|
70
|
|||||
極限真空
|
關氣鎮
開氣鎮 |
Pa(Torr)
|
6×10-2(≤5×10-4)110
|
|||||||
6×10-1(5×10-3)
|
(≤1×10)
|
|||||||||
電動機功率(KW)
|
0.37
|
0.55
|
1.1
|
1.5
|
3
|
5.5
|
||||
溫升(℃)
|
≤40
|
|||||||||
進氣口徑(mm)
|
18
|
25
|
40
|
40
|
65
|
80
|
||||
轉速(r/min)
|
450
|
590
|
|
420
|
||||||
用油量(L)
|
0.7
|
1.0
|
2.0
|
2.8
|
3.0
|
4.2
|
||||
噪聲dB(A)
|
68
|
≤68
|
≤70
|
≤75
|
≤78(~70)
|
≤80(~75)
|
||||
外形尺寸(cm)
|
56×31×39
|
56×34×37
|
79×43×54
|
79×53×54
|
78×50×56
|
91×65×70
|
||||
適用電磁閥型號
|
DDC-JQ25
|
DDC-JQ40
|
DDC-JQ65
|
DDC-JQ80
|
||||||
重量(kg)
|
58
|
55
|
80
|
110
|
232
|
330
|
||||
冷卻方式
|
自然冷卻
|
水冷
|
自然冷
|
水冷
|
||||||
冷卻水量(L/min)
|
-
|
>0.5
|
-
|
>0.8
|
>1
|
>2
|
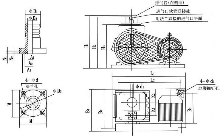
安裝尺寸結構圖
安裝尺寸
代號型號
|
φD1
|
φD2
|
φD3
|
Al
|
A2
|
A3
|
N1
|
N2
|
M
|
φd
|
H1
|
H2
|
H3
|
L1
|
L2
|
L3
|
B1
|
B2
|
B3
|
K1
|
K2
|
φdl
|
φd2
|
2X-1
|
27
|
20
|
50
|
23
|
30
|
34
|
3
|
3
|
48
|
5.5
|
270
|
265
|
230
|
435
|
352
|
135
|
250
|
215
|
157
|
60
|
|
11
|
20
|
2X-2
|
30
|
25
|
|
|
|
45
|
3
|
3
|
55
|
6
|
270
|
260
|
|
400
|
380
|
|
260
|
260
|
200
|
|
|
10
|
25
|
2X-4
|
32
|
28
|
55
|
31
|
35
|
45
|
4
|
3
|
55
|
6.5
|
340
|
327
|
267
|
520
|
480
|
119
|
300
|
260
|
200
|
82
|
105
|
11
|
25
|
2X-8
|
41
|
34
|
64
|
38
|
42.5
|
52.5
|
4
|
3
|
64
|
7
|
360
|
380
|
302
|
560
|
520
|
130
|
328
|
280
|
210
|
88
|
112
|
11
|
32
|
2X-15
|
56.5
|
36
|
105
|
54
|
70
|
80
|
5
|
3
|
100
|
11
|
540
|
511
|
340
|
772
|
736
|
170
|
542
|
492
|
364
|
120
|
80
|
14
|
|
2X-30
|
85
|
65
|
105
|
75
|
85
|
93
|
5
|
3
|
100
|
9
|
560
|
550
|
463
|
780
|
730
|
185
|
500
|
390
|
340
|
140
|
136
|
16
|
|
2X-70
|
|
80
|
125
|
96
|
105
|
113
|
6
|
3
|
130
|
9
|
692
|
680
|
556
|
908
|
848
|
210
|
650
|
530
|
470
|
176
|
144
|
20
|
G3
|
2X旋片式真空泵安裝方法
1、拆箱后小心取出旋片真空泵體、備附件及說明書并保管好作日后備用。除去填充物,擦凈泵的表面灰塵、垢。按裝箱單清點數目。
2、旋片式真空泵安裝在環境清潔、通氣良好,光線充足符合第4條要求的室內。根據使用情況泵應安裝在有一定寬裕的場地,以便于操作維護。旋片真空泵的外形尺寸見。可以放置在堅實平坦的地面上,不需特別的地基,如需固定可另加螺釘與基礎固牢,地腳螺釘尺寸見。旋片真空泵如靠近精密儀表使用時,應考慮增加防震裝置。
3、將被抽容器用真空軟管或法蘭與旋片真空泵相聯結,如用法蘭聯接時,法蘭上應有橡膠圈槽,形式及尺寸見上圖聯接被抽容器的管徑不應小于泵進氣口直徑,管通宜短,接頭宜少,否則影響抽速,管道和接頭的漏氣量應小。被抽容器的氣體量應與泵的抽速相適應。在泵與被抽容器之間建議裝上一個真空閥,以便控制氣體流量。對于泵并建議裝上一個放氣閥(或電磁閥)以便停車時對泵放氣,能防止返油以及容易起動。
4、按照電機標牌所示電壓和接線方式接上電源,并建議采用保險裝置以免超載,判明電機旋轉方向,應與旋片真空泵上箭頭方向一致。取下排氣塞裝上排氣罩,或將排所嘴上的套子取下。旋片真空泵需冷卻者接上水源。
5、如必須使旋片式真空泵抽除有毒的及腐蝕黑色金屬的氣體、對真空油起化學變化的氣體、及超過常溫和有塵埃的氣體時,應在進氣管道上加裝中和、冷卻、過濾等有關裝置配合使用,否則將影響旋片真空泵使用性能和壽命。抽除對人體有害的氣體時,應安上相應的管道,將排出氣體引至室外遠離工區進行處理。
注:安裝時應小心,防止鐵屑、污物、塵埃等落入旋片真空泵內.
2X型旋片式真空泵使用說明
1、旋片式真空泵運轉注意事項:
(1)斷續起動1—2次,觀察在運轉中有無異常聲響及特殊的震動,無問題方可邊續運轉。
(2)注意油面應在視鏡的兩條油標線之間,油量多了會引起起動困難、返油、噴油等不良現象,少了則影響真空度。油量不足時應通過加油孔加油。注意久停的泵油面要下降,將泵連續運轉幾轉后,油面才會上升。
(3)打開冷卻水
(4)打開泵進氣嘴上的閥門,打開的大小視具體情況而定。
2、對初次安裝好的旋片真空泵,應先做一次試車運轉,此時泵應無安裝不當的振動及無特殊沖擊聲響,電機不應超負荷,油溫和極限真空度應符合技術規格。
3、停旋片真空泵時應先關斷進氣嘴上的閥門,裝有放氣閥者對泵放氣,再截斷電源,再停水源。
4、旋片真空泵使用中注意事項:
(1)經常注意油位。
(2)泵起動后再緩慢打開閥門。
(3)經常注意泵運轉是否正常,有無特殊聲響,電機是否超負荷運轉。
(4)注意冷卻水是否中斷。
(5)注意泵溫升不超過40℃
(6)如停車后旋片式真空泵溫要下降到5℃以下時,泵內冷水必須除凈。
2X型旋片式真空泵維護保養
1、旋片式真空泵在工作中除了注意第15條事項外,尚須注意下列事項:
(1)旋片式真空泵須經常保持清潔,泵上不得放置其他物件。
(2)注意皮帶松緊是否適當,第半年年調整一次。
(3)管道接頭是否漏氣,及時杜絕。
2、旋片式真空泵連續工作三月至半年之后,就應換油一次,在濕度較大的地區,在潮濕季節工作的泵,或被抽氣體污染很大的,應根據具體情況酌情縮短換油時間。
換油事項如下:
(1)將旋片式真空泵拆除真空系統,把底盤電機一端墊高些,打開放油塞放油,轉動真空泵、捂住排氣口,使腔內污油全部從放油口放出,再從進氣口處加入新油100—500ml持續轉動5—10轉以上對,內部進行清洗,照此操作3—5次,特污油放清后,再裝上放油塞,將泵放平,從進氣口及加油孔分別加入新油,換油即告完畢。
(2)換油時不宜長久開動電機,以免使排氣閥片跳動過于劇烈和疲勞。
(3)嚴禁用煤油、汽油、酒精等對泵作非拆卸的清洗。
注:旋片式真空泵換油好的油溫升高后進行。
3、如停旋片真空泵時間較長,應取下排氣罩放上排氣塞,封閉進氣口,放凈積水。
2X型旋片式真空泵使故障原因及消除方法
旋片式真空泵一般故障的排除
1、旋片式真空泵真空度不高:
(1)泵溫太高:
(2)如被抽氣體溫度高,則應先將氣體冷卻后再進入旋片真空泵內。B、如吸入硬物缸內磨損,應修復更換。
(3)如泵的冷卻水不夠,應打開或加大冷卻水。D、如裝配不當,造成單面磨損,應檢查再裝。
(4)油位過低未到視鏡油線位置,應加夠油量。
(5)摻氣閥未關嚴漏氣,應關嚴。
(6)油質變壞,更換新油。
(7)旋片真空泵漏大氣多是由于泵的端面油封不良所致,這時應打開排氣蓋,檢查B處油池是否缺油,如無油應從加油孔處加油,使油池B處積滿油.
(8)轉片彈簧折斷,應拆下更換。
(9)閥門片損壞,應更換。
(10)前端板上油密封里的密封圈損壞或橡膠變質,應更換。
(11)旋片真空泵使用時間長,磨損大、間隙增大,應修復或更換受損零件。
(12)進氣處過濾網堵塞,取下清洗。
2、旋片式真空泵電機超負荷運轉:
(1)旋片真空泵溫太高,照20條(1)款(1)項處理。
(2)吸入鐵屑或其它機械物質造成單面磨損,應予修復或更換磨損零件。
(3)裝配不當,造成單面磨損或咬毛,應修理重新裝配。
3、旋片式真空泵其它:
(1)軸端漏油,密封圈磨損或裝配不正確,應更換或重裝。
(2)開車噴油,油位太高,應放出多余的油,或各擋油裝置已壞,應重新調整或修理。
(3)端面漏油,因前后端面碰傷不平,端板未擰緊,應將端面修平擰緊。
維修方法
1、將旋片式真空泵拆離真空系統,放油先拆低真空端(見圖3),取下后端板后,再取低真空轉子及鍵,然后將前端板拆下,取出真空轉子及轉片、彈簧等,取下視鏡、排氣閥門、排氣蓋,用汽油或者用酒精徹底清洗全部零件。拆時應注意每個零件的部位,方向及組合松緊,拆下的零件應分開放置, 不允許混在一起,互相磨傷。檢查全部零部件,看有無磨損或拉毛,打爛等不良現象,按情況進行修理或更換。特別注意前后端板發現有較大程度的擦傷,說明裝配時轉子與中隔板不垂直,應予調整定位銷釘,如太嚴重時應予修理或更換。旋片式真空泵檢查間隙:分別將高轉子放入高真空室,低轉子放入低真空室,用刀口尺及厚薄規檢查間隙,兩端的間隙應基本相等。
2、裝配前應清洗干凈并烘干,按圖4進行裝配,先裝高真空端,將彈簧轉片托起裝入高轉子內,然后放進高真空室,裝上前端板,再裝定位銷釘,均勻擰緊螺釘,裝配后應保證轉動靈活輕松 ,均勻一致。然后再裝低真空轉子及后端蓋,低轉片的槽應向后端板一邊。再裝排氣門,排氣閥片應貼緊閥板坐,再裝其它零件。
3、裝配時應注意,凡轉動部位應先打上真空油,注意清潔,嚴禁鐵屑泥砂塵埃等落入泵內,定位銷釘要接觸良好,裝好的旋片式真空泵應轉動輕松,無轉重不均,并沒有阻滯現象?傃b完后,分別從進氣嘴及加油孔加油,旋片式真空泵裝油在視鏡橫線處為止,再試車。
訂貨須知
一、①2X型旋片式真空泵產品名稱與型號②2X型旋片式真空泵口徑③2X型旋片式真空泵揚程(m)④2X型旋片式真空泵電機功率(KW)⑥2X型旋片式真空泵轉速(r/min)⑦2X型旋片式真空泵電壓〔V〕⑧2X型旋片式真空泵吸程(m)⑨2X型旋片式真空泵是否帶附件以便我們的為您正確選型。
二、若已經由設計單位選定我公司的2X型旋片式真空泵產品型號,請按2X型旋片式真空泵型號直接向揚子江泵業公司銷售部訂購。
三、當使用的場合非常重要或環境比較復雜時,請您盡量提供設計圖紙和詳細參數,由我們揚子江泵業的技術專家為您審核把關。
感謝您訪問我們揚子江泵業的網站【m.xinbochuangdz.com】,如有任何疑問.您可以致電給我們,我們一定會盡心盡力為您提供優質的服務。
我要評論 | |
公司名稱/個人: | |
手機/電話: | |
評論內容: | |