泵的知識 PUMP KNOWLEDGE
行業新聞
您當前位置:網站首頁 >> 泵的知識 >> 詳情內容
SK型水環式真空泵及汽水分離器安裝尺寸圖
時間:2012/2/20 來源:浙江揚子江泵業有限公司
| 一、SK系列水環式真空泵及壓縮機系統由真空泵(壓縮機)、聯軸器、電動機、汽水分離器及管路等組成。(如圖1) | |||||||||||||||||||||||||||||||||||||||||||||||||||||||||||||||||||||||||||||||||
| 真空泵及壓縮機與汽水分主器的工作過程如下:氣體由管路經閥門進入真空泵或壓縮機,然后經導氣彎管排入汽水分離器中,經汽水分離器排氣管排出。當作為壓縮機使用時,壓縮機排出的汽水混合物在汽水分離器中分離后,氣體經閥門輸送到需要壓縮的氣體的系統,而水則留在汽水分離器內,汽水分離器內的水位通過自動溢水開關進行調整,當水位高于所要求水位時,溢水開關打開,水從溢水管溢出;當水位低于要求水位時,溢水開關關閉,汽水分離器中水位上升,達到所要求水位。真空泵或壓縮機內的工作液是由汽水分離器供給(也可用自來水)的,供水量的大小,由供水管上的閥門來調整。 氣體抽吸和壓送系統的區別僅在于汽水分離器的內部構造有所不同。抽吸氣體時,吸氣口壓力低于大氣壓,而排氣口壓力等于大氣壓,汽水分離器只有溢水管;壓送氣體時,吸氣口為常壓(也可為真空狀態),排氣口壓力高于一個大氣壓,為保證輸送氣體壓力,汽水分離器的水位通過溢水開關來控制。 | |||||||||||||||||||||||||||||||||||||||||||||||||||||||||||||||||||||||||||||||||
二、SK系列水環式真空泵設備安裝: | |||||||||||||||||||||||||||||||||||||||||||||||||||||||||||||||||||||||||||||||||
| 1.泵和電機的安裝: 真空泵和壓縮機在安裝前,用手轉動聯軸器,保證SK系列水環式真空泵內沒有卡住和其它損壞現象。整套設備運抵安裝地點時,如果包裝已損壞或受潮,以及泵已經出廠八個月以上時,應在安裝前全部拆開檢查。如果真空泵或壓縮機正常,將泵和電動機安裝在泵座上時,應校正電動機軸與泵軸的同心度,因為如果電動機軸與泵軸之間有極小的傾斜也會引起軸承發熱和零件的嚴重磨損。校正方法如下:將直尺平行放在聯軸器上,在整個圓周的任何位置直尺應與聯軸器圓周完全密合,沒有間隙,且聯軸器的軸向間隙相等時,則達到了所要求的同心度(圖2)。 電動機與泵軸,即使有極小的傾斜,也會引起軸承發熱和零件過早磨損等嚴重后果,如果安裝正確,用后即能輕松地轉動泵軸。 在泵的進氣口應安裝過濾裝置,以防異物進入SK系列水環式真空泵泵腔內。 | |||||||||||||||||||||||||||||||||||||||||||||||||||||||||||||||||||||||||||||||||
![]() 圖2 | |||||||||||||||||||||||||||||||||||||||||||||||||||||||||||||||||||||||||||||||||
| 2.SK系列水環式真空泵汽水分離器的安裝: 汽車分離器根據外形圖安裝在地基上。 如果必須改變安裝位置時,應注意分離器的聯接管路不宜過長,轉彎不宜過急,否則水和氣在管道中的流動損失必將增加,從而增加了泵排氣端的壓力,這樣就降低了氣量和真空度,增加了功率消耗。 汽水分離器進口的管接頭與泵出口管接頭之間有一彎管4連接(圖1、圖5)。 帶有閥門的管路7與泵有汽水分離器相連接,可以使工作液循環使用。 分離器上安裝有供水管路(圖中未畫出),供水量通過于閥進行調節。 3.SK系列水環式真空泵與汽水分離器的管路安裝: SK系列水環式真空泵的排氣管應與汽水分離器進撖這相連,當作壓縮機使用時,汽水分離器的排氣管應和使用壓縮空氣的系統相連接。 抽真空時如不設排氣管路,氣體則由分離器上的排氣口直接排至大氣。如需排至室外,則可將分離器的排氣口通過管路引到室外。 在SK系列水環式真空泵的進氣管路上應安裝閥門進行控制,以便在停車時,防止泵內工作液因系統的真空吸力,回流到系統。 當作為壓縮機使用時,若排氣管路存在壓力,那么在汽水分離器的排氣管路上也應安裝閥門。 4.SK系列水環式真空泵調節結構: SK系列真空泵是通過裝在進氣管在進氣管路上的閥門來調整真空度和氣量。當作為壓縮機使用時,可用安裝在排氣管路上的閥門調節壓氣裝置的壓力。 當被壓縮氣體因為其使用條件不允許排出時,應在進氣管和排氣管之間裝有導氣管,其直徑與閥門直徑相同,以便在大限度內調節氣量與壓力。 | |||||||||||||||||||||||||||||||||||||||||||||||||||||||||||||||||||||||||||||||||
| 三、SK系列水環式真空泵外形尺寸: SK-1.5、SK-3水環式真空泵及壓縮機外形及安裝尺寸圖: | |||||||||||||||||||||||||||||||||||||||||||||||||||||||||||||||||||||||||||||||||
![]() 圖3 | |||||||||||||||||||||||||||||||||||||||||||||||||||||||||||||||||||||||||||||||||
| |||||||||||||||||||||||||||||||||||||||||||||||||||||||||||||||||||||||||||||||||
SK-1.5、SK-3水環式真空泵及壓縮機用氣水分離器外形及安裝尺寸: | |||||||||||||||||||||||||||||||||||||||||||||||||||||||||||||||||||||||||||||||||
![]() 圖4 | |||||||||||||||||||||||||||||||||||||||||||||||||||||||||||||||||||||||||||||||||
| |||||||||||||||||||||||||||||||||||||||||||||||||||||||||||||||||||||||||||||||||
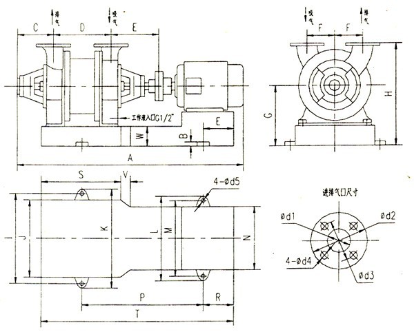
SK-6、SK-12、SK-20、SK-30水環式真空泵及壓縮機外形及安裝尺寸圖: | |||||||||||||||||||||||||||||||||||||||||||||||||||||||||||||||||||||||||||||||||
![]() 圖5 | |||||||||||||||||||||||||||||||||||||||||||||||||||||||||||||||||||||||||||||||||
| |||||||||||||||||||||||||||||||||||||||||||||||||||||||||||||||||||||||||||||||||
SK-6、SK-12、SK-30水環式真空泵及壓縮機氣水分離器外形尺寸圖: | |||||||||||||||||||||||||||||||||||||||||||||||||||||||||||||||||||||||||||||||||
![]() 圖6 | |||||||||||||||||||||||||||||||||||||||||||||||||||||||||||||||||||||||||||||||||
|
- 下一篇:水溫對水環真空泵性能的影響
- 上一篇:2X旋片真空泵安裝方法

















