泵的知識 PUMP KNOWLEDGE
行業新聞
您當前位置:網站首頁 >> 泵的知識 >> 詳情內容
不銹鋼304氣動隔膜泵QBY-50P,氣動油泵-涂料泵-油漆泵
時間:2012/2/17 來源:浙江揚子江泵業有限公司
一、不銹鋼304氣動隔膜泵QBY-50P產品概述
不銹鋼氣動隔膜泵是揚子江泵業研發生產的第三代不銹鋼隔膜泵,又稱作是QBY3不銹鋼氣動隔膜泵,材質選用不銹鋼304,膜片選用精致聚四氟乙烯。此泵具有使用壽命長、耐酸堿、壓力足、噪音低、做工精細、不會停頓等優點,即能抽送流動的液體,又能輸送一些不易流動的介質,具有自吸泵、潛水泵、屏蔽泵、泥漿泵和雜質泵等輸送機械的許多優點。
二、不銹鋼304氣動隔膜泵QBY-50P特點
1、不需灌引水,吸程高達7米,揚程達60米,出口壓力≧6bar
2、揚程、流量可通過氣閥開度實現無級調節(氣壓調節在1-7bar之間)
3、流動寬敞,通過性能好,允許通過大顆粒直徑達10毫米。抽送泥漿、雜質時,對泵磨損甚微;4、該泵無旋轉部件,沒有軸封,隔膜等抽送的介質與泵的運動部件、工件介質完全隔開,所輸送的介質不會向外泄漏。所以抽送有毒、易揮發或腐蝕性介質時,不會造成環境污染和危害人身安全;
5、不銹鋼隔膜泵不必用電,在易燃、易爆場所使用安全可靠
6、可以浸沒在介質中工作
7、使用方便、工作可靠、開停只需簡單地打開和關閉氣體閥門,即使由于意外情況而長時間無介質運行或突然停機泵也不會因此而損壞,一旦超負荷,泵會自動地停機,具有自我保護性能,當負荷恢復正常后,又能自動啟動運行;
8、結構簡單、易損件少,該泵結構簡單,安裝、維修方便,泵輸送的介質不會接觸到配氣閥,聯桿等運動部件,不像其他類型的泵因轉子、活塞、齒輪、葉片等部件的磨損而使性能逐步下降;
9、可輸送較粘的液體(粘度在1萬厘泊以下);
10、不銹鋼隔膜泵無須用油潤滑,即使空轉,對泵也無任何影響,這是該泵一大特點;
三、不銹鋼氣動隔膜泵性能參數
|
名稱 |
型號 |
流量 (m3/h) |
揚程 (m) |
吸程 (m) |
大允許通過顆粒φ(mm) |
大供氣壓力(kgf/cm2) |
空氣消耗量(m³/min) |
重量(KG) |
材質 |
|
氣 動 隔 膜 泵 |
QBY3-10P |
0.8 |
0-50 |
5 |
1 |
2-7 |
0.3 |
12 |
304 |
|
QBY3-15P |
1 |
0-50 |
5 |
1 |
2-7 |
0.3 |
12 | ||
|
QBY3-25P |
2.4 |
0-50 |
7 |
2.5 |
2-7 |
0.6 |
34 | ||
|
QBY3-40P |
8 |
0-50 |
7 |
4.5 |
2-7 |
0.6 |
41 | ||
|
QBY3-50P |
12 |
0-50 |
7 |
8 |
2-7 |
0.9 |
85 | ||
|
QBY3-65P |
16 |
0-50 |
7 |
8 |
2-7 |
0.9 |
95 | ||
|
QBY3-80P |
24 |
0-50 |
7 |
10 |
2-7 |
1.5 |
120 | ||
|
QBY3-100P |
30 |
0-50 |
7 |
10 |
2-7 |
1.5 |
132 |
六、QBY型氣動隔膜式泥漿泵的結構圖:
![]() |
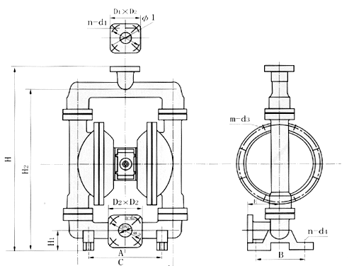
QBY型氣動隔膜泵外形安裝尺寸圖:

QBY型氣動隔膜泵外形安裝尺寸表:
.gif)
- 下一篇:不銹鋼316L氣動隔膜泵QBY-65
- 上一篇:污水排污泵的工作事理及特征












