FG型無極調速不銹鋼防爆單螺桿泵工作原理及特性
時間:2015/10/7 來源:浙江揚子江泵業有限公司
一、G型不銹鋼單螺桿泵概述:
G型單螺桿泵因定子選用多種彈性材料制成,所以這種泵對高粘度達到80%流體的輸送和含有硬質懸浮顆粒介質或含有纖維介質的輸送,有一般泵種所不能勝任的特性。其流量與轉速成正比,廣泛應用于食品冶金、造紙、印染、化工、化肥制藥等工業部門使用.傳動可采用聯軸器直接傳動,或采用高速電機,三角帶,變速箱等裝置變速。
二、G型不銹鋼單螺桿泵特點:
該泵零件少,結構緊湊,體積小,維修簡單,轉子和定子是單螺桿泵的易損件,結構簡單,便于裝拆。是按迥轉嚙合容積式原理工作的新型泵種。主要工作部件是偏心螺桿(轉子)和固定的襯套(定子)。采用無毒無味的食用橡膠,工作溫度可達120攝氏度,如果采用高溫120攝氏度—350攝氏度時可同本單位聯系。由于該二部件的特殊幾何開頭分別形成單獨的密封容腔。介質由軸向均勻推行流動。內部流速代低,容積保持不變。壓力穩定,因而不會產品渦流和攪動。每級泵的輸出壓力為0.6MPa—1.2MPa,揚程60m—120m(清水),自吸高度一般在3m以上。
三、G型不銹鋼單螺桿泵應用范圍:
螺桿泵作為一種通用泵,流量可以根據要求,通過改變速度進行調節,運行速度可高可低,出口壓力可隨泵的級數增加,每增加一級,壓力增加0.6MPA,在以下范圍和行業廣泛應用;
1、環境保護:工業污水、生活污水、含有固體顆粒及短纖維的污泥濁水的輸送,特別適用于油水分離器、板框壓濾機等設備;
2、船舶工業:輪低清洗、油水、油渣、油污水等污水介質的輸送;
3、石油工業:輸送原油、原油與水的混合物、煤田氣和水的混合物、往地層內灌注聚合物等等,從而降低機械采油、采煤田氣的成本,增加了油口采收率;
4、醫藥、日化:粘稠漿、乳化液、各種軟膏化裝品的輸送;
5、食品罐頭工業:各種發酵粘稠淀粉、食油、蜂蜜、糖漿、果漿、奶油、魚靡肉糜以及其下腳料的輸送
6、釀造工業:各種發酵粘稠液、濃酒糟、糧食制品渣、各種醬類、漿類和含有快狀固體物的粘液等;
7、建筑工業:水泥沙漿、石灰漿、涂料及其它糊狀體的噴涂與輸送;
8、采礦工業:礦井內的含固體顆粒的地下水和污漿水排送到地面;
9、化學工業:各種懸浮液、油脂、各種膠體漿、各種粘合劑;
10、印刷工業:高粘度油墨、墻紙的PVC高分子塑料糊和各種濃度的紙漿、短纖維漿料的輸送;
11、工業鍋爐:電廠、水煤漿的輸送。天然橡膠彈性大,抗撕裂性優良,耐磨性好,是定子的首選材質。但其耐油和耐溶劑性不好,抗酸堿腐蝕能力低,耐熱性不高這些缺點限制了應用面。使用溫度60℃內。丁腈橡膠耐汽油和脂肪烴油類的性能特別好,耐熱性好,耐磨性較好,彈性較天然橡膠低,耐酸堿性能一般,與天然橡膠同為使用率的定子材質。使用溫度90℃內。硅橡膠無毒無味,主要應用在食品及醫藥工業等有衛生要求的場合。價格較貴。對熱氧化和臭氧的穩定性很高,化學惰性大。使用溫度100℃內。氟橡膠耐酸堿,耐油性是耐油橡膠中的;耐化學腐蝕性、耐臭氧、耐大氣老化性均優良。價格昂貴。主要應用在腐蝕較高的場合。
溶劑橡膠在有機溶劑中不溶脹或極輕微溶脹。轉為輸送有機溶劑開發。
G系列單螺桿泵是一種新型的內嚙合回轉式容積泵。具有效率高、自吸能力強、適用范圍廣等優點,對各種難以輸送的介質都可用本泵來輸送。因此,單螺桿泵在國外被稱為萬能泵。此泵可輸送中性的或腐蝕的液體,潔凈的或磨削性的液體,含有氣體或易產生氣泡的液體,高粘度或低粘度的液體,包括含有纖維物和固體物質的液體。
二 工作原理及特性
單螺桿泵的工作原理是單線螺旋的轉子在雙線螺旋的定子孔內繞定子軸線作行星回轉時,轉子——定子副之間形成的密閉腔就連續的、勻速的、容積不變的將介質從吸入端輸送到壓出端。由于這巧妙的工作原理,使單螺桿泵具有一般性泵的通用性能外。其顯著的特點:
1、可輸送高粘度的介質。根據泵的大小不同,介質的高粘度為37000厘泊——200000厘泊。
2、可輸送含固體顆粒、磨削顆粒和纖維的介質。其含量一般可高達介質的40%,當介質中所含固體為粉末狀細微顆粒時,高可達70%,根據泵的大小不同允許介質中所含固體顆粒粒徑大為2毫米——40毫米。
3、輸出的液體連續均勻、壓力穩定、攪動小,對敏感性的液體不會發生成分的改變。
4、流量與轉速之間為簡單的正比關系?赏ㄟ^調節轉速進行流量的調節,配上變速的電動機,可成為變量泵。
5、壓力能隨輸出管道阻力自動調節。在0-36(公斤/厘米2)壓力之間,用戶很容易調到所需的壓力。這樣既節能,又避免壓力太高或太低而影響工藝流程。
6、結構簡單、磨損少、維修方便。
與其它類型泵相比:
和離心泵相比,單螺桿泵不需要裝閥門,而流量是穩定的線性流動。
和柱塞泵相比,單螺桿泵具有更好的自吸能力,吸上高度可達8.5米水柱。
和隔膜泵相比,單螺桿泵可輸送各種混合雜質,含有氣體及固體顆;蚶w維的介質,也可輸送各種腐蝕性物質。
和齒輪泵相比,單螺桿泵可輸送高粘度的物質。
與柱塞泵、隔膜泵及齒輪泵不同的是,單螺桿泵可用于藥劑填充和計量。
三 適用范圍
G系列單螺桿泵根據材質可分為如下三種類型:
1、普通泵:
主要適用范圍:油水分離裝置的理想輸送泵、污水處理裝置輸送泵;噴霧裝置輸送泵;焚燒爐輸送泵;污水、糞便輸送;潤滑油、燃油、植物油輸送;沉積糊狀且夾有固體顆粒介質的抽吸輸送,石油、水紋地球物理勘探鉆機輸送泥漿;新型濕紡糊狀石棉漿的輸送;粘度油墨、陶土、粘土糊、紙漿的輸送;還有作輸送混凝土、炸藥、水煤漿、高嶺土及纖維液等特殊物料的輸送泵。
2、食品泵: (采用不銹鋼與無毒橡膠材料)
主要適用范圍:釀酒、未稀釋的啤酒芽、酒花、奶粉、麥乳精、淀粉、番茄醬、醬油、發酵液、醪液、蜂蜜、巧克力混合料、牛奶、奶油、奶酪和肉漿等抽吸輸送,還可應用在制藥工業和牙膏工業等方面。
3、化工泵:(采用耐腐不銹鋼與耐腐橡膠材料)
主要適用范圍:腐蝕性石油、化工介質、顏料、厚油漆、化妝品、軟膏、
型單螺桿泵配套電機常見類型:
1)由彈性聯軸器和Y(或YB)電機驅動方式或由彈性聯軸器和變頻調速電機驅方式;
2)由彈性聯軸器和固定減速電機或和減速器直連電機驅動方式;
3)由彈性聯軸器和無級變速電機驅動方式;
4)由皮帶(同步帶)傳動電機驅動方式;
常見螺桿泵驅動配置圖片
普通電機/防爆電機/變頻電機直接聯軸器驅動螺桿泵
無級變速調速電機驅動螺桿泵
電磁調速電機驅動螺桿泵
帶料斗式進料螺桿泵
背包式(皮帶輪)驅動螺桿泵
帶減速機齒輪定速螺桿泵
性能參數:
型號 |
流量 (m3/h) |
壓力 (Mpa) |
允許 高轉數 (r/min) |
電機 功率 (kw) |
必需汽 蝕余量 (m) |
進口法 |
出口法 蘭通徑 (mm) |
允許顆 粒直徑 (mm) |
允許纖 維長度 (mm) |
G20-1 | 0.8 | 0.6 | 960 | 0.75 | 4 | 25 | 25 | 1.5 | 25 |
G20-2 | 1.2 | 1.5 | |||||||
G25-1 | 2 | 0.6 | 960 | 1.5 | 32 | 25 | 2 | 30 | |
G25-2 | 1.2 | 2.2 | |||||||
G30-1 | 5 | 0.6 | 960 | 2.2 | 50 | 40 | 2.5 | 35 | |
G30-2 | 1.2 | 3 | |||||||
G35-1 | 8 | 0.6 | 960 | 3 | 65 | 50 | 3 | 40 | |
G35-2 | 1.2 | 4 | |||||||
G40-1 | 12 | 0.6 | 960 | 4 | 80 | 65 | 3.8 | 45 | |
G40-2 | 1.2 | 5.5 | |||||||
G50-1 | 20 | 0.6 | 960 | 5.5 | 4.5 | 100 | 80 | 5 | 50 |
G50-2 | 1.2 | 7.5 | |||||||
G60-1 | 30 | 0.6 | 720 | 11 | 5 | 125 | 100 | 6 | 60 |
G60-2 | 1.2 | 15 | |||||||
G70-1 | 45 | 0.6 | 720 | 11 | 150 | 125 | 8 | 70 | |
G70-2 | 1.2 | 18.5 | |||||||
G85-1 | 65 | 0.6 | 630 | 15 | 150 | 150 | 10 | 80 | |
G85-2 | 1.2 | 30 | |||||||
G105-1 | 100 | 0.6 | 500 | 30 | 200 | 200 | 15 | 110 | |
G105-2 | 1.2 | 55 | |||||||
G135-1 | 150 | 0.6 | 400 | 45 | 250 | 250 | 20 | 150 | |
G135-2 | 1.2 | 90 |
單級,由齒輪變速、電磁調速電機加齒輪變速或無級變速電機加齒輪變速時的性能參數
型號 | 壓力0.3Mpa | 壓力0.6Mpa | 可調轉數 | ||||||
轉數 (r/min) |
流量 (m3/h) |
電動機 功率 (kw) |
轉數 (r/min) |
流量 (m3/h) |
電動機 功率 (kw) |
轉數 (r/min) |
流量 (m3/h) |
電動機 功率 (kw) |
|
G20-1 | 960 | 0.96 | 0.75-6級 | 960 | 0.8 | 0.75-6級 | 125~1250 | 0.1~1.5 | 1.1 |
720 | 0.8 | 0.55-8級 | 720 | 0.5 | 0.75-8級 | ||||
510 | 0.4 | 0.55-4級/齒輪箱 | 510 | 0.3 | 0.75-4級/齒輪箱 | ||||
G25-1 | 960 | 2.4 | 0.75-6級 | 960 | 2 | 1.5-6級 | 125~1250 | 0.1~3 | 1.5 |
720 | 1.5 | 0.55-8級 | 720 | 1.27 | 1.1-8級 | ||||
510 | 1.08 | 0.55-4級/齒輪箱 | 510 | 0.9 | 1.1-4級/齒輪箱 | ||||
G30-1 | 960 | 3.6 | 1.5-6級 | 960 | 3 | 2.2-6級 | 125~1250 | 0.2~4 | 2.2 |
720 | 2.28 | 1.1-8級 | 720 | 1.9 | 1.5-8級 | ||||
510 | 1.63 | 1.1-4級/齒輪箱 | 510 | 1.35 | 1.5-4級/齒輪箱 | ||||
G35-1 | 720 | 4.8 | 2.2-8級 | 720 | 4.04 | 3-8級 | 125~890 | 0.3~5 | 3 |
510 | 3.36 | 1.5-4級/齒輪箱 | 510 | 2.8 | 2.2-4級/齒輪箱 | ||||
380 | 1.92 | 1.1-4級/齒輪箱 | 380 | 1.60 | 1.5-4級/齒輪箱 | ||||
G40-1 | 510 | 6.8 | 2.2-4級/齒輪箱 | 510 | 5.6 | 3-4級/齒輪箱 | 125~890 | 0.3~10 | 4 |
380 | 5.1 | 1.5-4級/齒輪箱 | 380 | 4 | 2.2-4級/齒輪箱 | ||||
252 | 2.65 | 1.1-6級/齒輪箱 | 252 | 2.2 | 1.5-6級/齒輪箱 | ||||
G50-1 | 510 | 13.8 | 4-4級/齒輪箱 | 510 | 11.5 | 5.5-4級/齒輪箱 | 80~750 | 1~18 | 5.5 |
380 | 10.2 | 4-4級/齒輪箱 | 380 | 7.5 | 5.5-4級/齒輪箱 | ||||
252 | 5.6 | 3-6級/齒輪箱 | 252 | 4.4 | 5.5-6級/齒輪箱 | ||||
G60-1 | 510 | 20.8 | 7.5-4級/齒輪箱 | 510 | 16 | 11-4級/齒輪箱 | 63~630 | 1~20 | 11 |
380 | 15.6 | 7.5-4級/齒輪箱 | 380 | 12 | 11-4級/齒輪箱 | ||||
252 | 7.8 | 5.5-6級/齒輪箱 | 252 | 6 | 7.5-6級/齒輪箱 | ||||
G70-1 | 510 | 26 | 11-4級/齒輪箱 | 510 | 20 | 11-4級/齒輪箱 | 56~560 | 1~22 | 11 |
380 | 17 | 7.5-4級/齒輪箱 | 380 | 13 | 11-4級/齒輪箱 | ||||
252 | 9.1 | 7.5-6級/齒輪箱 | 252 | 7 | 7.5-6級/齒輪箱 | ||||
G85-1 | 380 | 32 | 11-4級/齒輪箱 | 380 | 25 | 15-4級/齒輪箱 | 37~370 | 2~24 | 15 |
252 | 21 | 7.5-6級/齒輪箱 | 252 | 16 | 11-6級/齒輪箱 | ||||
189 | 11 | 5.5-8級/齒輪箱 | 189 | 8 | 11-8級/齒輪箱 | ||||
G105-1 | 380 | 80 | 15-4級/齒輪箱 | 380 | 65 | 22-4級/齒輪箱 | 29~290 | 3~50 | 22 |
252 | 44 | 15-6級/齒輪箱 | 252 | 34 | 22-6級/齒輪箱 | ||||
189 | 29 | 11-8級/齒輪箱 | 189 | 22 | 15-8級/齒輪箱 | ||||
G135-1 | 380 | 132 | 37-4級/齒輪箱 | 380 | 120 | 45-4級/齒輪箱 | 18~180 | 3~56 | 45 |
252 | 95 | 30-6級/齒輪箱 | 252 | 80 | 37-6級/齒輪箱 | ||||
189 | 65 | 18.5-6級/齒輪箱 | 189 | 53 | 30-8級/齒輪箱 |
雙級,由齒輪變速、電磁調速電機加齒輪變速或無級變速電機加齒輪變速時的性能參數
型號 | 壓力0.8Mpa | 壓力1.2Mpa | 可調轉數 | ||||||
轉數 (r/min) |
流量 (m3/h) |
電動機 功率 (kw) |
轉數 (r/min) |
流量 (m3/h) |
電動機 功率 (kw) |
轉數 (r/min) |
流量 (m3/h) |
電動機 功率 (kw) |
|
G20-2 | 960 | 0.96 | 1.5-6級 | 960 | 0.8 | 1.5-6級 | 125~1250 | 0.1~1.5 | 1.5 |
720 | 0.8 | 1.1-8級 | 720 | 0.5 | 1.5-8級 | ||||
510 | 0.4 | 1.1-4級/齒輪箱 | 510 | 0.3 | 1.1-4級/齒輪箱 | ||||
G25-2 | 960 | 2.4 | 1.5-6級 | 960 | 2 | 2.2-6級 | 125~1250 | 0.1~3 | 2.2 |
720 | 1.5 | 1.1-8級 | 720 | 1.27 | 1.5-8級 | ||||
510 | 1.08 | 1.1-4級/齒輪箱 | 510 | 0.9 | 1.5-4級/齒輪箱 | ||||
G30-2 | 960 | 3.6 | 3-6級 | 960 | 3 | 3-6級 | 125~1250 | 0.2~4 | 3 |
720 | 2.28 | 1.5-8級 | 720 | 1.9 | 2.2-8級 | ||||
510 | 1.63 | 1.5-4級/齒輪箱 | 510 | 1.35 | 2.2-4級/齒輪箱 | ||||
G35-2 | 720 | 4.8 | 3-8級 | 720 | 4.04 | 4-8級 | 125~890 | 0.3~5 | 4 |
510 | 3.36 | 2.2-4級/齒輪箱 | 510 | 2.8 | 3-4級/齒輪箱 | ||||
380 | 1.92 | 1.5-4級/齒輪箱 | 380 | 1.60 | 2.2-4級/齒輪箱 | ||||
G40-2 | 510 | 6.8 | 4-4級/齒輪箱 | 510 | 5.6 | 5.5-4級/齒輪箱 | 125~890 | 0.3~10 | 5.5 |
380 | 5.1 | 3-4級/齒輪箱 | 380 | 4 | 4-4級/齒輪箱 | ||||
252 | 2.65 | 2.2-6級/齒輪箱 | 252 | 2.2 | 3-6級/齒輪箱 | ||||
G50-2 | 510 | 13.8 | 5.5-4級/齒輪箱 | 510 | 11.5 | 7.5-4級/齒輪箱 | 80~750 | 1~18 | 7.5 |
380 | 10.2 | 4-4級/齒輪箱 | 380 | 7.5 | 5.5-4級/齒輪箱 | ||||
252 | 5.6 | 3-6級/齒輪箱 | 252 | 4.4 | 5.5-6級/齒輪箱 | ||||
G60-2 | 510 | 20.8 | 15-4級/齒輪箱 | 510 | 16 | 15-4級/齒輪箱 | 63~630 | 1~20 | 15 |
380 | 15.6 | 11-4級/齒輪箱 | 380 | 12 | 15-4級/齒輪箱 | ||||
252 | 7.8 | 7.5-6級/齒輪箱 | 252 | 6 | 11-6級/齒輪箱 | ||||
G70-2 | 510 | 26 | 15-4級/齒輪箱 | 510 | 20 | 18.5-4級/齒輪箱 | 56~560 | 1~22 | 18.5 |
380 | 17 | 11-4級/齒輪箱 | 380 | 13 | 15-4級/齒輪箱 | ||||
252 | 9.1 | 11-6級/齒輪箱 | 252 | 7 | 11-6級/齒輪箱 | ||||
G85-2 | 380 | 32 | 18.5-4級/齒輪箱 | 380 | 25 | 22-4級/齒輪箱 | 37~370 | 2~24 | 22 |
252 | 21 | 15-6級/齒輪箱 | 252 | 16 | 18.5-6級/齒輪箱 | ||||
189 | 11 | 15-8級/齒輪箱 | 189 | 8 | 15-8級/齒輪箱 | ||||
G105-2 | 380 | 80 | 30-4級/齒輪箱 | 380 | 65 | 37-4級/齒輪箱 | 29~290 | 3~50 | 37 |
252 | 44 | 30-6級/齒輪箱 | 252 | 34 | 30-6級/齒輪箱 | ||||
189 | 29 | 22-8級/齒輪箱 | 189 | 22 | 22-8級/齒輪箱 | ||||
G135-2 | 380 | 132 | 55-4級/齒輪箱 | 380 | 120 | 75-4級/齒輪箱 | 18~180 | 3~56 | 75 |
252 | 95 | 55-6級/齒輪箱 | 252 | 80 | 75-6級/齒輪箱 | ||||
189 | 65 | 37-8級/齒輪箱 | 189 | 53 | 45-8級/齒輪箱 |
單、雙級水煤漿工作泵的性能參數
泵 型 |
流量 (m3/h) |
工作壓力(Mpa) | 轉數(r/min) | 齒輪減速配套調速電機(kw) |
G30-2 | ~1 | 1.2 | 30~300 | YCT160/4A-2.2 |
G35-2 | ~2 | 1.2 | 30~300 | YCT160/4A-2.2 |
G40-2 | ~3 | 1.2 | 30~280 | YCT160/4A-3 |
G50-1 | ~4.5 | 0.6 | 28~280 | YCT180/4A-4 |
G50-2 | ~4.5 | 1.2 | 28~280 | YCT200/4A-5.5 |
G60-1 | ~6.5 | 0.6 | 25~250 | YCT200/4A-5.5 |
G60-2 | ~6.5 | 1.2 | 25~250 | YCT200/4B-7.5 |
G70-1 | ~8 | 0.6 | 25~250 | YCT200/4B-7.5 |
G85-1 | ~12.5 | 0.6 | 18~180 | YCT225/4A-11 |
G105-1 | ~20 | 0.6 | 14~140 | YCT225/4B-15 |
G135-1 | ~35 | 0.6 | 10~100 | YCT250/4B-22 |
說明:
1、以上性能參數是常溫清水試驗時的試驗數據;
2、對于不同的介質、不同的轉速,性能參數都將變化,其流量值與濃度、粘度成反比,與轉速成正比;
3、用戶必須根據使用要求、輸送介質的狀況、選型原則選擇泵的類型,或者和本公司技術部門協商來決定泵的類型。
4、對于水煤漿泵傳動形式為齒輪調速配套電磁調速電機或機械無級變速電機,流量隨轉速變化無級可調。
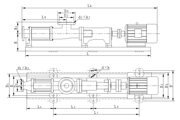
偏心單螺桿泵安裝尺寸:
G型單螺桿泵橡膠套的選擇:
G型螺桿泵橡膠套的選擇 螺桿泵襯套為橡膠制品,也是單螺桿泵的一個易損件,它的選擇好壞,直接影響襯套的壽命,一般正常情況下襯套的壽命為6-12個月,如果選用不當,襯套可能從鋼管中脫落或橡膠掉塊。所以要求我們對橡膠的基本特性及橡膠對各種不同介質的適應性有所了解,根據我們的經驗列出以上特性表。
橡膠基本特性
橡膠特性 | 丁晴橡膠NBR | 氯丁橡膠CR | 氟橡膠PPM | 乙丙橡膠EPDM |
耐高溫度 | +120°C | +110°C | +200°C | +150°C |
耐磨性 | 優 | 很好 | 優 | 很好 |
耐老化性 | 很好 | 很好 | 優 | 優 |
耐臭氧 | 不行 | 優 | 優 | 優 |
耐蒸汽 | 很好 | 不行 | 優 | 優 |
耐燃性 | 很好 | 優 | 優 | 優 |
單螺桿泵的襯套常用橡膠
橡膠的適應性 | 乙丙橡膠EPDM | 氟橡膠PPM | 氯丁橡膠CR | 丁晴橡膠NBR |
水(污水) | 很好 | 很好 | 很好 | 很好 |
植物油 | 一般 | 很好 | 一般 | 很好 |
礦物油 | 不行 | 很好 | 一般 | 很好 |
氨水 | 一般 | 不行 | 不行 | 很好 |
芳香族溶劑 | 不行 | 很好 | 不行 | 不行 |
濃堿 | 很好 | 不行 | 很好 | 很好 |
濃硝酸 | 不行 | 一般 | 不行 | 不行 |
冰醋酸 | 不行 | 很好 | 不行 | 很好 |
稀硫酸 | 很好 | 很好 | 不行 | 很好 |
濃硫酸 | 一般 | 很好 | 不行 | 不行 |
稀鹽酸 | 很好 | 很好 | 很好 | 很好 |
濃鹽酸 | 很好 | 很好 | 不行 | 很好 |
熱水 | 很好 | 不行 | 不行 | 一般 |
汽油 | 不行 | 很好 | 一般 | 很好 |
甲苯 | 不行 | 很好 | 不行 | 不行 |
二甲苯 | 不行 | 很好 | 不行 | 不行 |
乙醇 | 很好 | 很好 | 很好 | 一般 |
煤油 | 不行 | 很好 | 很好 | 很好 |
柴油 | 不行 | 很好 | 不行 | 很好 |
氯化烴 | 不行 | 一般 | 不行 | 不行 |
含酮類物料 | 很好 | 不行 | 不行 | 不行 |
含醇類物料 | 很好 | 很好 | 很好 | 很好 |
含脂類物料 | 很好 | 不行 | 不行 | 不行 |
含醚類物料 | 很好 | 不行 | 不行 | 不行 |
泥漿 | 很好 | 一般 | 一般 | 很好 |
磷酸 | 很好 | 一般 | 很好 | 一般 |
碳酸鈉 | 很好 | 不行 | 很好 | 很好 |
糖醛 | 很好 | 一般 | 一般 | 一般 |
苯100 | 不行 | 很好 | 不行 | 不行 |
丙酮 | 很好 | 不行 | 不行 | 不行 |
亞麻子油 | 很好 | 很好 | 很好 | 很好 |
二硫化碳 | 不行 | 很好 | 不行 | 不行 |
G型單螺桿泵輸送方式:
G型單螺桿泵故障原因及排除方法:
故障 | 原因 | 排除方法 |
1、泵不能起動 |
a、新泵轉、定子配合過緊 b、電壓、電流太低 c、介質粘度過高 |
a、用工具人力幫助轉動幾圈 b、檢查、調整 c、稀釋料液 |
2、泵不出液 |
a、旋轉方向不對 b、吸入管路有問題 c、介質粘度過高 d、轉、定子損壞或傳動部件損壞 e、泵內導物堵塞 |
a、調整方向 b、檢查泄漏,打開進出口閥門 c、稀釋料液 d、檢查更換 c、排除更換 |
3、流量達不到 |
a、管路泄漏 b、閥門未全部打開或局部堵塞 c、轉速太低 d、轉、定子磨損 |
a、檢查修理管路 b、打開全部閥門、排除堵塞物 c、調整轉速 d、更換損壞另件 |
4、壓力達不到 | a、轉子、定子磨損 | a、更換轉、定子 |
5、電機過熱 |
a、電機故障 b、出口壓力過高,電機超載 c、定子燒壞或粘在轉子上 |
a、檢查電機、電壓、電流、電頻 b、檢查揚程,開足出口閥門,排除阻塞 c、更換損壞件 |
6、流量壓力急劇下降 |
a、管道突然堵塞或泄漏 b、定子磨損惡劣 c、液體粘度突然改變 d、電壓突然下降 |
參照以下幾項,逐項排除 |
7、軸密封處大量泄漏液體 |
a、軟填料磨損 b、機械密封損壞 |
a、壓緊或更換填料 b、修復或更換 |