泵的知識 PUMP KNOWLEDGE
            行業新聞
                您當前位置:網站首頁 >> 泵的知識 >> 詳情內容
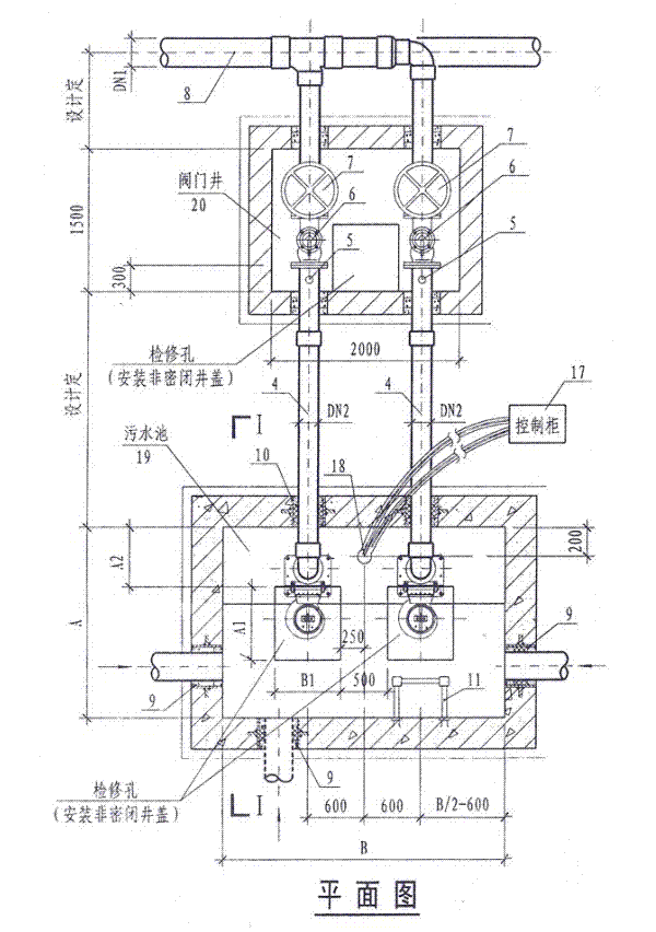
            潛水排污泵室外安裝方法(閥門設于污水井外)
時間:2013/8/14 來源:浙江揚子江泵業有限公司
問:貴公司前面講了潛水排污泵室外安裝(閥門設于污水井內)的安裝方法,那么現在將閥門安裝在污水井外應該怎么安裝?
答:潛水排污泵室外安裝(閥門設于污水井外)可以參照下面的方法進行:

說明:1.本圖潛水排污泵采用液位自動控制。兩臺泵輪換工作,互為備用。h1為開泵水位,h0為停泵水位,當水位高出報警水位100mm時備用泵自投。
2.本圖設計材料表,安裝尺寸表詳見附表。
3.防水套管制作安裝詳見國標02S404.
4.潛水排污泵控制柜安裝位置由單項工程設計考慮,其型號規格可由泵廠配套供應。池外電線電纜應穿管敷設。
5.污水池(集水坑)進水管數量,位置,管徑及標高由單項工程設計確定。
6.節點A按到貨尺寸下料安裝。
7.若潛水排污泵自耦安裝對污水池(集水坑)池(坑)底無局部抬高要求,污水池(集水坑)底部可做平,相應控制尺寸應減少100mm。
附表一:設備材料表


注:設計人員也可根據實際情況確定污水池(集水坑)的平面尺寸。污水池(集水坑)深度應小于等于6.0m.
感謝您訪問我們揚子江泵業的網站m.xinbochuangdz.com,如有任何水泵疑問我們一定會盡心盡力為您提供優質的服務.











