CQ磁力泵和CQB磁力泵有何區別
時間:2013/4/15 來源:浙江揚子江泵業有限公司
CQ磁力泵和CQB磁力泵的型號只差一個字母,其工作原理基本都是一樣的,那么它們究竟有何區別呢?
首先我們先來了解一下什么是磁力泵?
磁力泵就是通過磁力傳動來實現無接觸的力矩傳遞,進而以靜密封取代動密封來達到泵的完全無泄漏的一種水泵。由于泵體和隔離套將泵軸與內磁轉子完全的封閉,所以徹底消除了易燃易爆、有毒、有害介質通過密封泄漏的隱患,從而更進一步保障了安全生產和環境安全。鑒于此,磁力泵一般都是應用于對水泵有嚴格要求的化工、石油等行業。
現在來說一下CQ磁力泵和CQB磁力泵的主要區別:
1.從外觀來看,CQ磁力泵泵體不帶底座,而CQB磁力泵則帶有底座。
2.CQB磁力泵屬于重型系列,它的內部零部件都是有一定厚度的。而CQ磁力泵則完全相反,屬于輕型些列,里面的零部件都是比較單薄的。
3.工作條件好的一般選擇CQ磁力泵就可以了,如果是比較惡劣的工作環境,像室外工作,就盡量選擇CQB磁力泵。
4.CQB磁力泵比CQ磁力泵的流量和揚程都要大。
5.同樣規格的2種磁力泵產品,CQB磁力泵的價格就要高出許多。
我們可以給客戶提建議來選型,客戶也可以根據自己的使用要求和情況來選型,終選擇適合自己的磁力泵產品。
CQB系列磁力泵廣泛應用于石油、化工、冶金、制藥、電鍍、環保等行業,可輸送100℃以下易燃、易爆、劇毒、貴重液體。 CQB-G系列高溫磁力泵廣泛應用于石油、化工、冶金、制藥、電鍍、環保等行業,可輸送溫度≤280℃高溫類易燃、易爆、劇毒、貴重液體。
性能
流量:3.2-100m3/h
揚程:20-80m
功率:0.75-75kw
PerformanceFlowing rate: 3.2-100m3/h
Delivery head: 20-80m
Power of work: 0.75-75kw
特點
采用磁力傳動原理及設置水冷卻裝置無泄漏輸送腐蝕性高溫介質。
traits
Adopt magnetism transmission principle and water cooling installation non-leakages transmit corrosive high-temperature media.
型號意義


CQB系列外型和安裝尺寸
External and drawing of installation dimension

|
型號Type |
A |
AD |
B |
L |
L1 |
H1 |
H2 |
a |
A1 |
A2 |
A3 |
H |
H3 |
H4 |
L2 |
L3 |
L4 |
L5 |
L6 |
h |
|
CQB32-20-125 |
125 |
150 |
100 |
458 |
133 |
120 |
90 |
65 |
||||||||||||
|
CQB32-20-160 |
140 |
155 |
100 |
483 |
143 |
160 |
115 |
65 |
||||||||||||
|
CQB40-25-105 |
125 |
150 |
100 |
458 |
133 |
120 |
90 |
65 |
||||||||||||
|
CQB40-25-125 |
140 |
155 |
125 |
508 |
143 |
160 |
112 |
65 |
||||||||||||
|
CQB40-25-160 |
160 |
180 |
140 |
633 |
233 |
160 |
112 |
80 |
300 |
330 |
360 |
210 |
370 |
355 |
190 |
140 |
80 |
270 |
430 |
50 |
|
CQB40-25-200 |
261 |
210 |
140 |
728 |
253 |
160 |
132 |
80 |
350 |
380 |
410 |
230 |
390 |
413 |
236 |
140 |
80 |
320 |
480 |
50 |
|
CQB50-40-85 |
125 |
150 |
100 |
458 |
133 |
120 |
90 |
80 |
||||||||||||
|
CQB50-32-105 |
140 |
155 |
125 |
508 |
143 |
160 |
112 |
80 |
||||||||||||
|
CQB50-32-125 |
160 |
180 |
140 |
633 |
233 |
160 |
112 |
80 |
300 |
330 |
360 |
210 |
370 |
355 |
190 |
140 |
80 |
270 |
430 |
50 |
|
CQB50-32-160 |
190 |
190 |
140 |
653 |
233 |
160 |
112 |
80 |
300 |
330 |
360 |
210 |
370 |
363 |
197 |
140 |
80 |
270 |
430 |
50 |
|
CQB50-32-200 |
216 |
210 |
140 |
728 |
253 |
180 |
132 |
80 |
350 |
380 |
410 |
230 |
410 |
413 |
236 |
140 |
80 |
320 |
480 |
50 |
|
CQB50-32-250 |
254 |
255 |
210 |
898 |
308 |
225 |
160 |
100 |
380 |
410 |
440 |
260 |
485 |
485 |
308 |
161 |
120 |
440 |
680 |
80 |
|
CQB65-50-125 |
216 |
210 |
140 |
728 |
253 |
160 |
132 |
80 |
350 |
380 |
410 |
230 |
390 |
413 |
236 |
140 |
80 |
320 |
480 |
50 |
|
CQB65-50-160 |
216 |
210 |
140 |
728 |
253 |
160 |
132 |
80 |
350 |
380 |
410 |
230 |
390 |
413 |
236 |
140 |
80 |
320 |
480 |
50 |
|
CQB65-40-200 |
254 |
255 |
210 |
898 |
308 |
180 |
160 |
100 |
380 |
410 |
440 |
260 |
440 |
485 |
308 |
161 |
120 |
440 |
680 |
80 |
|
CQB65-40-250 |
279 |
285 |
241 |
968 |
308 |
225 |
180 |
100 |
380 |
410 |
440 |
280 |
505 |
530 |
321 |
161 |
120 |
440 |
680 |
80 |
|
CQB80-65-125 |
216 |
210 |
140 |
728 |
253 |
160 |
132 |
80 |
350 |
380 |
410 |
230 |
390 |
413 |
236 |
140 |
80 |
320 |
480 |
50 |
|
CQB80-65-160 |
254 |
255 |
210 |
898 |
297 |
180 |
160 |
100 |
380 |
410 |
440 |
260 |
440 |
485 |
308 |
161 |
120 |
440 |
680 |
80 |
|
CQB80-50-200 |
254 |
255 |
254 |
943 |
308 |
200 |
160 |
100 |
380 |
410 |
440 |
260 |
460 |
485 |
308 |
161 |
120 |
440 |
680 |
80 |
|
CQB80-50-250 |
318 |
310 |
305 |
1108 |
318 |
225 |
200 |
125 |
470 |
500 |
530 |
300 |
525 |
575 |
333 |
171 |
120 |
520 |
760 |
100 |
|
CQB100-80-125 |
254 |
255 |
210 |
898 |
308 |
180 |
160 |
100 |
380 |
410 |
440 |
260 |
440 |
485 |
308 |
161 |
120 |
440 |
680 |
80 |
|
CQB100-80-160 |
254 |
255 |
254 |
943 |
308 |
200 |
160 |
100 |
380 |
410 |
440 |
260 |
460 |
485 |
308 |
161 |
120 |
440 |
680 |
80 |
|
CQB100-65-200 |
318 |
310 |
305 |
1083 |
318 |
225 |
180 |
100 |
470 |
500 |
530 |
300 |
525 |
575 |
333 |
171 |
120 |
520 |
760 |
100 |
|
CQB100-65-250 |
318 |
310 |
305 |
1108 |
318 |
250 |
200 |
125 |
470 |
500 |
530 |
300 |
550 |
575 |
330 |
171 |
120 |
520 |
760 |
100 |
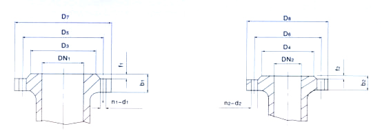
CQB、CQB-G系列進出口法蘭尺寸
Flange dimension of inlet and outlet

|
型號Type |
進口法蘭 Flange dimension of inlet |
出口法蘭 Flange dimension of outlet | ||||||||||||
|
DN1 |
D3 |
D5 |
D7 |
b1 |
f1 |
n1-d1 |
DN2 |
D4 |
D6 |
D8 |
b2 |
f2 |
n2-d2 | |
|
CQB32-20-125 |
32 |
69 |
90 |
120 |
16 |
3 |
4-φ14 |
20 |
48 |
65 |
96 |
14 |
2 |
4-φ11 |
|
CQB32-20-160 | ||||||||||||||
|
CQB40-25-105 |
78 |
100 |
130 |
16 |
3 |
4-φ14 |
25 |
58 |
75 |
100 |
14 |
3 |
4-φ11 | |
|
CQB40-25-125 |
40 | |||||||||||||
|
CQB40-25-160 |
||||||||||||||
|
CQB40-25-200 |
84 |
110 |
150 |
18 |
3 |
4-φ18 |
25 |
65 |
85 |
115 |
16 |
3 |
4-φ14 | |
|
CQB50-40-85 |
40 |
78 |
100 |
130 |
16 |
3 |
4-φ14 | |||||||
|
CQB50-32-105 |
88 |
110 |
140 |
16 |
3 |
4-φ14 |
||||||||
|
CQB50-32-125 |
50 |
32 |
69 |
90 |
120 |
16 |
3 |
4-φ14 | ||||||
|
CQB50-32-160 |
||||||||||||||
|
CQB50-32-200 |
99 |
125 |
165 |
20 |
3 |
4-φ18 |
32 |
76 |
100 |
140 |
18 |
3 |
4-φ18 | |
|
CQB50-32-, 250 | ||||||||||||||
|
CQB65-50-125 |
108 |
130 |
160 |
16 |
3 |
4-φ14 |
50 |
88 |
110 |
140 |
16 |
3 |
4-φ14 | |
|
CQB65-50-160 |
65 |
50 |
99 |
125 |
165 |
20 |
3 |
|||||||
|
CQB65-40-200 |
118 |
145 |
185 |
20 |
3 |
4-φ18 |
4-φ18 | |||||||
|
CQB65-40-250 |
40 |
84 |
110 |
150 |
18 |
3 | ||||||||
|
CQB80-65-125 |
124 |
150 |
190 |
18 |
3 |
4-φ18 |
65 |
108 |
130 |
160 |
16 |
3 |
4-φ14 | |
|
CQB80-65-160 |
132 |
160 |
200 |
20 |
3 |
4-φ18 |
65 |
118 |
145 |
185 |
20 |
3 |
||
|
CQB80-50-200 |
80 |
132 |
160 |
200 |
20 |
3 |
8-φ18 |
50 |
99 |
125 |
165 |
20 |
3 |
4-φ18 |
|
CQB80-50-250 | ||||||||||||||
|
CQB1OO-80-125 |
100 |
144 |
170 |
210 |
18 |
3 |
4-φ18 |
80 |
124 |
150 |
190 |
18 |
3 |
4-φ18 |
|
CQB100-80-160 |
80 |
132 |
160 |
200 |
20 |
3 |
8-φ18 | |||||||
|
CQB100-65-200 |
100 |
156 |
180 |
220 |
22 |
3 |
8-φ18 |
65 |
118 |
145 |
185 |
20 |
3 |
4-φ18 |
|
CQB100-65-250 | ||||||||||||||











