泵的知識 PUMP KNOWLEDGE
行業新聞
您當前位置:網站首頁 >> 泵的知識 >> 詳情內容
大流量農田灌溉排水泵結構圖及參數選型
時間:2013/3/20 來源:浙江揚子江泵業有限公司
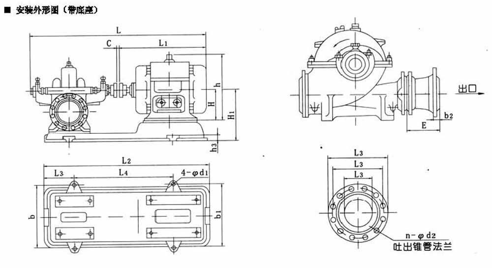
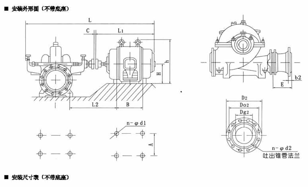
S、SH型單級雙吸大流量農田灌溉排水泵結構圖:
S、SH型單級雙吸泵殼中開之離心泵,供抽磅清水或物理化學性質類似于水的其它液體之用。被輸送液體溫度不得高于80℃。

二、適用范圍:
應用范圍:工廠、廠礦、城市給水、電站、農田排灌和各種水利工程。
三、產品特點:
1、應用廣泛,外形美觀。
2、輸送清水,輸送腐蝕性液體。
3、新型節能臥式中開泵,檢修時無需拆卸進出口水管。
4、軸向位置可調整,用黃油潤滑
四、技術參數:
轉速:2950r/min,100~600mm
流量:72~3170m3/h
揚程:11~110m
介質溫度不高于80℃。
五、性能參數表:
|
型號 |
流量Q ( m 3 /h) |
揚程H (m) |
轉速n (r/min) |
功率(KW) |
效率η (%) |
汽蝕余量(NPSH)r(m) | |
|
軸功率 |
電機功率 | ||||||
|
100S90 |
80 |
90 |
2950 |
30.1 |
37 |
65 |
2.5 |
|
100S90A |
72 |
75 |
23 |
30 |
64 |
2.5 | |
|
150S100 |
160 |
100 |
59.8 |
75 |
73 |
3.5 | |
|
150S78 |
160 |
78 |
45 |
55 |
73.5 |
3.5 | |
|
150S78A |
144 |
62 |
33.8 |
45 |
72 |
3.5 | |
|
150S50 |
160 |
50 |
27.3 |
37 |
80 |
3.9 | |
|
150S50A |
144 |
40 |
20.9 |
30 |
75 |
3.9 | |
|
150S50B |
133 |
36 |
18.6 |
22 |
70 |
3.9 | |
|
200S95 |
280 |
95 |
91.7 |
110 |
79.2 |
5.3 | |
|
200S95A |
270 |
75 |
73.5 |
90 |
75 |
5.3 | |
|
200S63 |
280 |
63 |
58.3 |
75 |
82.7 |
5.8 | |
|
200S63A |
270 |
46 |
45.1 |
55 |
75 |
5.8 | |
|
200S42 |
280 |
42 |
38.1 |
45 |
84.2 |
6 | |
|
200S42A |
270 |
36 |
33.1 |
37 |
80 |
6 | |
|
250S65 |
485 |
65 |
1450 |
109 |
132 |
78.6 |
3 |
|
250S65A |
468 |
54 |
89.4 |
110 |
77 |
3 | |
|
250S39 |
485 |
39 |
61.5 |
75 |
83.6 |
3.2 | |
|
250S39A |
468 |
30.5 |
49.3 |
55 |
79 |
3.2 | |
|
250S24 |
485 |
24 |
36.9 |
45 |
85.8 |
3.5 | |
|
250S24A |
414 |
20.3 |
27.6 |
37 |
83 |
3.5 | |
|
250S14 |
485 |
14 |
21.5 |
30 |
85.8 |
3.8 | |
|
250S14A |
432 |
11 |
15.8 |
18.5 |
82 |
3.8 | |
|
300S110 |
790 |
110 |
295.7 |
440 |
80 |
4 | |
|
300S90 |
790 |
90 |
242.8 |
315 |
79.6 |
4 | |
|
300S90A |
756 |
78 |
217 |
280 |
74 |
4 | |
|
300S90B |
720 |
67 |
180 |
220 |
73 |
4 | |
|
300S58 |
790 |
58 |
149.9 |
180 |
84.2 |
4.4 | |
|
300S58A |
720 |
49 |
118.6 |
160 |
81 |
4.4 | |
|
300S58B |
684 |
43 |
100 |
132 |
80 |
4.4 | |
|
300S32 |
790 |
32 |
79.2 |
110 |
86.8 |
4.6 | |
|
300S32A |
720 |
26 |
60.7 |
75 |
84 |
4.6 | |
|
300S19 |
790 |
19 |
47 |
55 |
86.8 |
5.2 | |
|
300S19A |
720 |
16 |
39.2 |
45 |
80 |
5.2 | |
|
300S12 |
790 |
12 |
30.4 |
37 |
84.8 |
5.5 | |
|
300S12A |
684 |
10 |
3.9 |
30 |
78 |
5.5 | |
|
350S125 |
1260 |
125 |
534 |
710 |
80.5 |
5.4 | |
|
350S125A |
1181 |
112 |
462 |
630 |
78 |
5.4 | |
|
350S125B |
1098 |
96 |
373 |
500 |
77 |
5.4 | |
|
350S75 |
1260 |
75 |
303 |
355 |
85.2 |
5.8 | |
|
350S75A |
1170 |
65 |
247 |
280 |
84 |
5.8 | |
|
350S75B |
1080 |
55 |
197 |
220 |
82 |
5.8 | |
|
350S44 |
1260 |
44 |
173 |
220 |
87.5 |
6.3 | |
|
350S44A |
1116 |
36 |
131 |
160 |
84 |
6.3 | |
|
350S26 |
1260 |
26 |
102 |
132 |
87.5 |
6.7 | |
|
350S26A |
1116 |
21.5 |
78.8 |
90 |
83 |
6.7 | |
|
350S16 |
1260 |
16 |
64.5 |
75 |
85.3 |
7.1 | |
|
350S16A |
1044 |
13.4 |
48.8 |
55 |
48 |
7.1 | |
|
500S98 |
2020 |
95 |
970 |
678 |
800 |
79.5 |
4 |
|
500S98A |
1872 |
83 |
540 |
630 |
78.5 |
4 | |
|
500S98B |
1746 |
74 |
452 |
560 |
78 |
4 | |
|
500S59 |
2020 |
59 |
391 |
450 |
83 |
4.5 | |
|
500S59A |
1872 |
49 |
333 |
400 |
75 |
4.5 | |
|
500S59B |
1746 |
40 |
257 |
315 |
74 |
4.5 | |
|
500S35 |
2020 |
35 |
219 |
280 |
88 |
4.8 | |
|
500S35A |
1746 |
27 |
151 |
220 |
85 |
4.8 | |
|
500S22 |
2020 |
22 |
144.1 |
185 |
84 |
5.2 | |
|
500S22A |
1746 |
17 |
101 |
132 |
80 |
5.2 | |
|
500S13 |
2020 |
13 |
86.2 |
110 |
83 |
5.7 | |
|
600S75 |
3170 |
75 |
727 |
800 |
89 |
7.5 | |
|
600S75A |
2880 |
65 |
580 |
630 |
88 |
7.5 | |
|
600S47 |
3170 |
47 |
465 |
560 |
88 |
7.5 | |
|
600S32 |
3170 |
32 |
310 |
400 |
89 |
7.5 | |
|
600S32A |
2880 |
27 |
238 |
280 |
89 |
7.5 | |
|
600S22 |
3170 |
22 |
223 |
280 |
85 |
7.5 | |
|
600S22A |
2880 |
18.2 |
168.5 |
200 |
84.5 |
7.5 | |
S、SH型單級雙吸中開泵安裝尺寸:







感謝您訪問我們揚子江泵業的網站m.xinbochuangdz.com,如有任何水泵疑問我們一定會盡心盡力為您提供優質的服務。
- 下一篇:立式中央空調循環水泵結構圖
- 上一篇:IS臥式循環冷水泵循環熱水泵結構圖






