|
一、2XZ型旋片式真空泵概述:
2XZ型旋片式真空泵為雙級直聯結構,它的工作性能由高壓級與低壓級二部份組成,它的吸入口與真空設備連接,在運轉時將容器內的氣體大量吸入與排出,當設備獲得真空時,高壓級排氣閥封閉,高壓級入口的氣體將轉送到第二級,并經第二級吸入與排出真空設備可獲得了一定的真空,2XZ型旋片式真空泵的技術參數為6×10-2 Pa,泵與電機連軸,高轉速,外型小,結構緊湊,流動性工作方便,可用于電真空器件制造、保溫瓶制造、真空焊接、印刷、吸塑、制冷設備修理以及儀器儀表配套等。因為它具有體積小、質量輕、操聲低等優點,所以更適宜于實驗室里使用。
二、2XZ型旋片式真空泵的型號意義:
 三、2XZ型旋片式真空泵的性能參數表:
|
|
參數/型號 |
2XZ-0.25 |
2XZ-0.5 |
2XZ-1 |
2XZ-2 |
2XZ-4 |
|
抽氣速率m3/h(L/S) |
50(HZ) |
0.9(0.25) |
1.8(0.5) |
3.6(1) |
7.2(2) |
14.4(4) |
|
60(HZ) |
1.1(0.3) |
2.1(0.6) |
4.3(1.2) |
8.6(2.4) |
17.2(4.8) |
|
極限壓力
(Pa) |
分壓力 |
≤6×10-1 |
≤6×10-2 |
≤6×10-2 |
≤6×10-2 |
≤6×10-2 |
|
全壓力 |
≤6.5 |
≤1.33 |
≤1.33 |
≤1.33 |
≤1.33 |
|
50HZ |
轉速(r/min) |
1400 |
1400 |
1400 |
1400 |
1400 |
|
60HZ |
轉速(r/min) |
1720 |
1720 |
1720 |
1720 |
1720 |
|
電機功率(kw) |
0.12 |
0.18 |
0.25 |
0.37 |
0.55 |
|
電源電壓(V) |
220 |
220/380 |
220/380 |
220/380 |
220/380 |
|
進氣口口徑(mm)(外徑) |
φ15 |
φ20 |
φ20 |
φ30 |
φ30 |
|
噪音(dBA) |
63 |
65 |
65 |
68 |
68 |
|
容油量 (L) |
0.5 |
0.6 |
0.7 |
1 |
1.2 |
|
外形尺寸(mm) |
403×130×240 |
447×168×260 |
469×168×260 |
514×168×282 |
565×168×282 |
|
重量(Kg)毛重/凈重 |
16/15 |
17/16 |
18/17 |
22/20 |
24/22 |
|
參數/型號 |
2XZ-6 |
2XZ-8 |
2XZ-15 |
2XZ-25 |
|
抽氣速率(L/s) |
50(HZ) |
21.6(6) |
28.8(8) |
54(15) |
90(25) |
|
60(HZ) |
26(7.2) |
34.5(9.6) |
64.8(18) |
108(30) |
|
極限壓力 |
分壓力 |
≤4×10-2 |
≤4×10-2 |
≤4×10-2 |
≤4×10-2 |
|
(Pa) |
全壓力 |
≤1 |
≤1 |
≤1 |
≤1 |
|
轉速(r/min) |
50(HZ) |
1400 |
1400 |
1400 |
1400 |
|
60(HZ) |
1720 |
1720 |
1720 |
1720 |
|
電機功率(kw) |
0.75 |
1.1 |
1.5 |
2.2 |
|
電源電壓(V) |
380 |
380 |
380 |
380 |
|
進氣口口徑(mm) |
KF -40 |
KF -40 |
KF -40 |
KF -50 |
|
噪音(dBA) |
68 |
70 |
70 |
72 |
|
容油量(L) |
2 |
3 |
4 |
5 |
|
外形尺寸(mm) |
565×200×342 |
650×240×430 |
700×240×430 |
770×240×430 |
|
毛重/凈重(Kg) |
50/40 |
70/60 |
86/75 |
98/85 | |
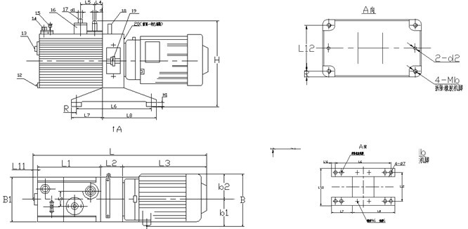
四、2XZ型旋片式真空泵的工作原理及結構圖:
2XZ旋片式真空泵系雙級高速直聯結構旋片式真空泵。它有偏心地裝在泵腔內的轉子,及轉子槽內的旋片。轉子帶動旋片轉時,旋片緊貼腔壁,把進、排氣口分隔開來,并使進氣積腔容積周期性地擴大而吸氣,排氣腔容積則周期性地縮小而壓縮氣體,推開排氣閥排氣,從而獲得真空。圖一為2XZ型旋片式真空泵工作原理示意圖。雙級是兩個單級串聯而成。 |
圖一:2XZ型旋片式真空泵的結構圖 |
| 五、2XZ型旋片式真空泵的安裝尺寸表: |
|
|
|
型號 |
矩形管 |
L7 |
L8 |
L6 |
L’6 |
L12 |
L’12 |
|
2XZ-0.25 |
30×20 |
61 |
156 |
175 |
|
70 |
109 |
|
2XZ-0.5/1 |
30×20 |
73 |
182 |
240 |
7.5 |
88 |
118 |
|
2XZ-2/4 |
40×25 |
102 |
188 |
270 |
10 |
94 |
134 |
|
2XZ-8 |
40×25 |
102 |
192 |
255 |
19.5 |
140 |
180 | |
|
|
|
型號 |
L |
L1 |
L2 |
L3 |
l |
l1 |
l2 |
W |
W1 |
W2 |
w1 |
w2 |
H1 |
H2 |
DN |
KF |
Φd |
|
2XZ-6 |
550 |
220 |
105 |
64 |
302 |
250 |
85 |
175 |
55 |
66 |
136 |
182 |
315 |
280 |
25 |
40 |
7 |
|
2XZ-8 |
624 |
255 |
175 |
64 |
495 |
455 |
180 |
238 |
75 |
100 |
182 |
232 |
414 |
388 |
25 |
40 |
8 |
|
2XZ-15 |
703 |
315 |
175 |
64 |
495 |
455 |
180 |
238 |
75 |
100 |
182 |
232 |
414 |
388 |
25 |
40 |
8 |
|
2XZ-25 |
743 |
355 |
175 |
64 |
495 |
455 |
180 |
238 |
75 |
100 |
182 |
232 |
414 |
388 |
25 |
50 |
8 | |
|
六、2XZ型旋片式真空泵的特點:
2XZ型旋片式真空泵具有體積小,重量輕、噪聲低、起動方便等優點。此外,還有防止返油的措施(2XZ-8)和無防止油封漏油污染場地的措施。 1、2XZ型旋片式真空泵是獲得真空的基本設備,它可單獨作用,亦可作為各類高真空系統的前級泵和預抽泵組成羅茨旋片真空機組。 2、2XZ型旋片式真空泵進氣口連續敞通大氣運轉,不得超過三分鐘。 3、泵不適用于抽除對金屬有腐蝕性的,對泵油起化學反應的、含有顆粒塵埃的氣體,以體含氧過高的,有爆炸性的氣體。 4、泵有得作壓縮泵或輸送泵用。 5、2XZ型旋片式真空泵的工作環境:溫度5℃-40℃范圍內,相對溫度不大于90%,進氣口壓強小于1333Pa的條件下允許長期連續運轉。 6、裝接電源時,按電機標牌的規定接線,應注意電機旋轉方向與支座上的箭頭方向一致。 7、連續被抽容器的管道,其直徑應不小于泵的進氣口直徑,且管道應短和彎頭少,同時注意管道的泄漏。 8、每次起動前著重查看油位,以停泵時注油至油標玻璃直徑的4/5高度為宜。 9、具泵油采用清潔的1號或100號真空泵油。 10、2XZ型旋片式真空泵可在通大氣或任何真空度下一次起動。XZ-1單級型泵如果起動困難,可撥掉進氣管塞帽起動,隨后投入運轉。
七、2XZ型旋片式真空泵操作須知: 1.查看油位,以停泵時注油至油標中心為宜。過低對排氣閥不能起油封作用,影響真空度。過高,可能會引起通大氣起動時噴油。運轉時,油位有所升高,屬正常現象。油采用規定牌號的清潔真空泵油,從加油孔加入。加油畢后,應旋一上螺塞。油宜經過濾,以免雜物進入2XZ型旋片式真空泵,堵塞油孔。
2.2XZ型旋片式真空泵可在通大氣或任何真空度下一次起動。泵口如裝接真空閥,應與2XZ真空泵同時動作。
3.環境溫度過高時,油的溫度升高,粘度下降,飽和蒸汽壓會增大,會引起2XZ型旋片式真空泵極限真空有所下降,特別是用熱偶計測得的全壓強。如加強通風散熱,或改善泵油性能,極限真空可得到改善。
4.檢查2XZ型旋片式真空泵的極限真空以壓縮式水銀真空計為準,如計經充分預抽校驗,泵溫達到穩定,泵口與計直接接通,運轉30分鐘內,將達到極限真空。總壓強計測得之值與泵油和真空計、規管誤差有關,有時誤差甚至可很大,只能作參考。
5.如相對濕度較高,或被抽氣體含較多可凝性蒸汽,接通被抽容器后,宜打開氣鎮閥,運轉20~40分鐘后關閉氣鎮閥。停泵前,可開氣鎮閥空載運動30分鐘,以延長2XZ型旋片式真空泵泵油壽命。
6.2XZ型旋片式真空泵用油選擇:泵油的粘度影響起動功率和泵的極限真空,粘度高時對真空度有利,起動功率則大一些。油在泵溫下的飽和蒸汽壓則會影響泵的極限總壓強,越低越好。高速真空泵油和3#擴散泵油的粘度較1號真空泵油大,飽和蒸汽壓較1號真空泵油低,但3#擴散泵油價格較高。具體選什么油,可根據上述介紹結合具體使用要求來選擇。
(1)一般情況下,凡希望總壓強在6X10-2帕以上的應用上海飛魯真空泵油。4升/秒以下小泵也可用1號真空油泵代,8升/秒以上直聯泵可用3#擴散泵油代。 (2)如果對真空度要求不高,且油的污染更換頻繁,真空泵油供應困難,可采用50號機械油代替。 (3)如果環境溫度低,起動困難,極限真空要求不高,可采用粘度較上略低的真空泵油或機械油。
八、2XZ型旋片式真空的維護和保養:
①、2XZ型旋片式真空泵注意事項:
1.保證泵的清潔,防止雜物進入泵內。 2.保持油位。 3.注意觀察油的清潔,若泵油變臟、混濁、水份或其它揮發性物質進入2XZ型旋片式真空泵內而影響極限真空時,可開氣鎮閥凈化之,觀察極限真空回升情況,數小時無效,應更換泵油,必要時可再次更換。換油方法:泵運轉約半小時,使油變稀,停泵從放油孔放油,再敞開進氣口運轉10~20秒鐘,此間可從吸氣口緩緩加入少量清潔泵油,以更換泵腔內存油。如出來的油很臟,后者可重復進行。 4.不可混入柴油、汽油等其它飽和蒸汽壓較大的油類,以免降低極限真空。拆洗2XZ型旋片式真空泵內零件時,一般用紗布擦拭即可以。有金屬碎屑、砂泥或其它有害物質必須清洗時,可用汽油等擦洗,干燥后方可裝配,切忌用汽油浸泡。 5.倘若因泵需拆開清洗或檢修,必須注意拆裝步驟,以免損壞機件。
②、2XZ型旋片式真空泵拆裝步驟簡述如下:
(一)、拆卸2XZ型旋片式真空泵: 1.放油 2.松開進氣咀法蘭螺釘,拔出進氣咀,松開氣鎮閥法蘭螺釘,拔出氣鎮閥。 3.拆下2XZ型旋片式真空泵油箱。 4.拆除止回閥開口銷,拆下止回閥葉輪。 5.拆除支座與泵的連接螺釘,拆下2XZ型旋片式真空泵裝件,電機拆否視方便而定。 6.松開泵蓋螺釘,拆下泵蓋,拉出二轉子及旋片。拆下低級轉子時,麻先拆下開口銷。 (二)、裝配2XZ型旋片式真空泵: 1.用紗布擦凈零件,防止回絲堵塞油孔,好用清洗液和刷子清洗。 2.把旋片裝入轉子槽內后,把高級轉子裝入定子即泉身內,裝L高級泵蓋、銷、螺釘、鍵、聯軸節,用手旋轉,應無泄阻和明顯輕重,裝時應使定子頂面朝下,以借助重力使轉子貼近定子圓弧面,此間隙好在0.0lmm。 3.低級轉子裝配方法同上。 4.裝上2XZ型旋片式真空泵止回閥葉輪等止回零件,應使止回閥頭平面對準進油咀油孔,按工作時的轉向旋轉轉子并用手輕輕反向擋住葉輪,油孔應時開時閉,調整閥頭平面大開啟高度為O.8~1.2毫米,具體可移動止回閥座、橡膠止回閥頭在閥桿孔中的位置來實現。簡便查法:面對葉輪,使Φ3mm傳動銷處于右手水平位置,順時針方向撥動葉輪,此時止回閥頭平面的開啟高度近于大,應為0.8~1.2mm。轉子停止在任何位置,手從葉輪上松開后,止回閥頭應自動落下關閉油孔。 5.裝上2XZ型旋片式真空泵的排氣閥、擋油板等零件。 6.把泵部、鍵、聯軸節、電機裝在支座上。 7.裝油箱。 8.插入進氣咀,氣鎮閥,裝上法蘭固緊。 注意:1、裝配時2XZ型旋片式真空泵磨擦面涂上清潔真空泵油。2、記住零件原裝配位置,可減少跑合時間。3、緊固件應無松動。 感謝您訪問我們揚子江泵業的網站m.xinbochuangdz.com,如有任何水泵疑問我們一定會盡心盡力為您提供優質的服務 |