CWB型防爆磁力驅動旋渦泵結構圖及安裝尺寸圖
時間:2012/10/28 來源:浙江揚子江泵業有限公司
【CWB型磁力旋渦泵】產品簡介:
CWB型磁力驅動旋渦泵(簡稱磁力旋渦泵)是將永磁聯軸器的工作原理應用于離心泵的新產品,設計合理、工藝先進、具有全密封、無泄漏、低流量、高揚程、耐腐蝕的特點,其性能達到國外同類產品的先進水平。磁力泵以靜密封取代動密封,使泵的過流部件處于完全密封狀態,徹底解決了其它泵機械密封無法避免的跑、冒、滴之弊病。CWB型磁力驅動旋渦泵選用耐腐蝕、高強度的工程塑料、剛玉陶瓷,不銹鋼等作為制造材料,因此它具有良好的抗腐蝕性能,并可以使被輸送介質免受污染。
【CWB型磁力旋渦泵】型號意義:

【CWB型磁力旋渦泵】產品特點:
CWB型磁力驅動旋渦泵采用磁力傳動結構,保證泵能絕對密封,達到無泄漏輸送腐蝕性、易燃、易爆、劇毒等化學介質。
1、高揚程、小流量,比轉數一般小于40;
2、結構簡單、體積小、重量輕;
3、CWB型磁力驅動旋渦泵具有自潤滑回路,提高滑動軸承使用壽命;
4、增設冷卻回路,及時帶走磁渦流熱;
5、CWB型磁力驅動旋渦泵采用懸臂葉片,減小葉輪徑向力;
6、CWB型磁力驅動旋渦泵隨輸送介質黏度增加,泵的效率急劇下降,因而介質黏度應不大于5×10 -6 M 3 /S。
【CWB型磁力驅動旋渦泵】產品用途:
CWB型磁力驅動旋渦泵結構緊湊、外形美觀、體積小、噪音低、運行可靠、使用維修方便。可廣泛應用于化工、制藥、石油、電鍍、食品、電影照相洗印、科研機構。國防工業等單位抽送酸、堿液、油類、稀有貴重液、毒液、揮發性液體,以及循環水設備配套、過濾機配套。特別是易漏、易燃、易爆液體的抽送,選用此泵則更為理想。
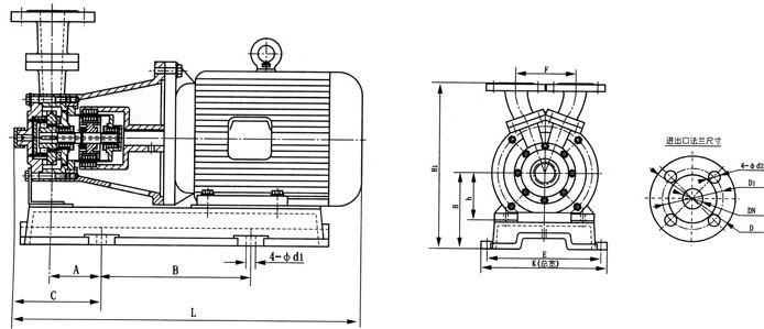
【CWB型磁力驅動旋渦泵】結構圖:
|
|
1 |
進出口接管 |
8 |
止推環 |
|
2 |
泵殼 |
9 |
隔離套 | |
|
3 |
密封墊 |
10 |
內磁組件 | |
|
4 |
泵蓋組件 |
11 |
外磁組件 | |
|
5 |
葉輪 |
12 |
聯接架 | |
|
6 |
軸承 |
13 |
底板 | |
|
7 |
軸 |
14 |
電機 |
|
型號 |
流量(M3/h) |
揚程 (m) |
轉速 (rpm) |
電機功率(kW) |
效率η(%) |
允許吸上高度(m) |
葉輪直徑(mm) |
重量 (kg) |
|
CWB20-20 |
0.72 |
20 |
2900 |
0.75 |
22 |
6 |
65 |
26 |
|
CWB20-40 |
0.72 |
40 |
2900 |
1.1 |
18 |
6 |
90 |
32 |
|
CWB20-65 |
0.72 |
65 |
2900 |
3 |
15 |
6 |
105 |
36 |
|
CWB25-25 |
1.44 |
25 |
2900 |
1.1 |
26 |
5 |
75 |
28 |
|
CWB25-40 |
1.44 |
40 |
2900 |
1.5 |
24 |
5 |
90 |
40 |
|
CWB25-75 |
1.44 |
75 |
2900 |
3~4 |
20 |
5 |
110 |
55 |
|
CWB32-30 |
2.88 |
30 |
2900 |
2.2 |
28 |
5 |
90 |
38 |
|
CWB32-50 |
2.88 |
50 |
2900 |
3~4 |
26 |
5 |
100 |
52 |
|
CWB32-75 |
2.88 |
75 |
2900 |
5.5 |
22 |
5 |
120 |
76 |
|
CWB32-120 |
2.88 |
120 |
2900 |
7.5 |
18 |
4.5 |
140 |
95 |
|
CWB40-40 |
5.4 |
40 |
2900 |
4 |
30 |
4 |
100 |
70 |
|
CWB40-90 |
5.4 |
90 |
2900 |
7.5 |
26 |
3.5 |
130 |
105 |
|
CWB50-45 |
9 |
45 |
2900 |
5.5 |
30 |
4 |
110 |
92 |
|
CWB65-50 |
14.4 |
50 |
2900 |
7.5 |
35 |
3.5 |
120 |
158 |
【CWB型磁力旋渦泵】安裝尺寸圖:
|
型號 |
A |
B |
C |
E |
F |
K |
L |
h |
H |
H1 |
DN |
D |
D1 |
φdl |
φd2 |
|
CWB20-20 |
31 |
210 |
86 |
125 |
92 |
200 |
440 |
80 |
130 |
270 |
20 |
90 |
65 |
13.5 |
11 |
|
CWB20-40 |
43 |
210 |
58 |
140 |
102 |
200 |
458 |
80 |
130 |
284 |
20 |
90 |
65 |
13.5 |
11 |
|
CWB20-65 |
48 |
260 |
108 |
140 |
110 |
200 |
486 |
90 |
153 |
313 |
20 |
105 |
75 |
13.5 |
13.5 |
|
CWB25-25 |
45 |
210 |
104 |
140 |
120 |
235 |
462 |
80 |
130 |
330 |
25 |
115 |
85 |
13.5 |
13.5 |
|
CWB25-40 |
49 |
260 |
110 |
140 |
120 |
235 |
488 |
90 |
153 |
353 |
25 |
115 |
85 |
13.5 |
13.5 |
|
CWB25-75 |
25 |
328 |
93 |
190 |
128 |
242 |
606 |
112 |
175 |
386 |
25 |
115 |
85 |
13.5 |
13.5 |
|
CWB32-30 |
52 |
260 |
118 |
140 |
150 |
290 |
522 |
90 |
153 |
368 |
32 |
140 |
100 |
13.5 |
17.5 |
|
CWB32-50 |
28 |
328 |
100 |
160 |
150 |
290 |
614 |
100 |
163 |
378 |
32 |
140 |
100 |
18 |
17.5 |
|
CWB32-75 |
100 |
295 |
169 |
320 |
150 |
356 |
684 |
132 |
212 |
42J7 |
32 |
140 |
100 |
18 |
17.5 |
|
CWB32-120 |
96 |
486 |
173 |
380 |
160 |
416 |
878 |
160 |
240 |
468 |
32 |
140 |
100 |
18 |
17.5 |
|
CWB40-40 |
30 |
328 |
104 |
190 |
160 |
310 |
618 |
112 |
175 |
443 |
40 |
150 |
110 |
13.5 |
17.5 |
|
CWB40-90 |
96 |
486 |
173 |
380 |
160 |
416 |
878 |
160 |
240 |
508 |
40 |
150 |
110 |
18 |
117.5 |
|
CWB50-45 |
104 |
295 |
177 |
320 |
1J70 |
356 |
692 |
132 |
212 |
462 |
50 |
165 |
125 |
18 |
17.5 |
|
CWB65-50 |
82 |
486 |
159 |
380 |
190 |
416 |
878 |
160 |
240 |
520 |
65 |
185 |
145 |
18 |
1J7.5 |
【CWB型磁力驅動旋渦泵】故障原因及排除方法:
|
故障形式 |
產生原因 |
排除方法 |
|
泵不出水
|
1.水泵反轉 2.進水管道漏氣 3.泵腔蓄水太少 4.電壓太高,啟動時聯軸器打滑 5.吸程太高 |
1.改變電機接線 2.杜絕漏氣 3.增加蓄水量 4.調正電壓 5.降低泵安裝位置 |
|
流量不足
|
1.吸人管徑太小 2.流道阻塞 3.揚程過高 4.轉速太低 |
1.調換進水管 2.清洗流道 3.開大出水閥 4.恢復額定轉速 |
|
揚程過低 |
1.流量過大 2.轉速太低 |
1.關小出水閥 2.恢復額定轉速 |
|
噪音太大
|
1.軸嚴重磨損 2.軸套嚴重磨損 3.驅動磁鋼杯與隔離套接觸 |
1.更換泵軸 2.更換軸套 3.拆除泵頭重新組裝 |
|
漏液 |
密封圈損壞 |
更換密封圈 |
感謝您訪問我們揚子江泵業的網站m.xinbochuangdz.com,如有任何水泵疑問我們一定會盡心盡力為您提供優質的服務。












